您好,欢迎您浏览上海新益气动元件有限公司官方网站!
收藏新益气动
|
走进新益气动
|
联系新益气动
气动元件专业供应商
三十年气动元件研发经验
全国免费服务热线
400-021-5777
网站首页
关于我们
产品展示
新闻动态
行业资讯
品质服务
联系我们
产品图册
1688店铺
关键词搜索:
上海新益气动
|
新益气动
|
气动元件
|
电磁阀
|
气缸
新益气动元件
CLASSIFIED NAVIGATION
推荐产品
XTBL-125-10-6B-F倍力气缸
MOB系列轻型油压缸
二位二通活塞式角座閥
QPJM2010 精密减压阀
当前位置:
网站首页>
产品展示
>
气缸
>
薄型气缸
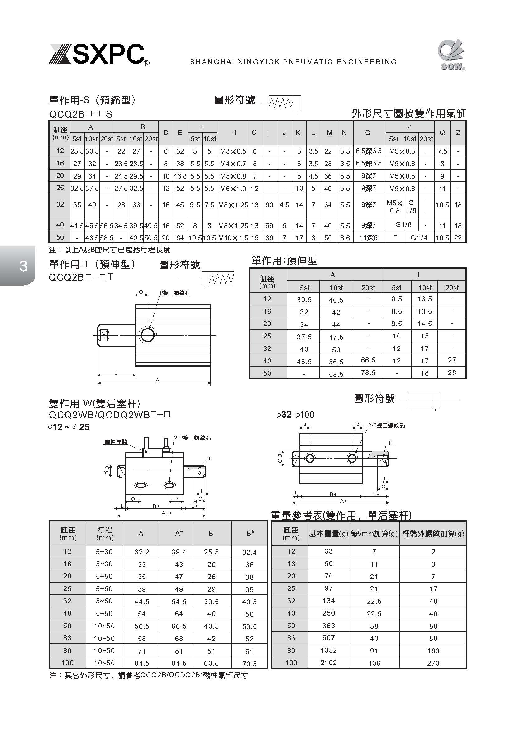
QCQ2系列 薄型气缸
所属类别:薄型气缸
所属品牌:新益气动
生产厂商:上海新益气动元件有限公司
销售公司:山东·济南
定制电话:0531-87115188 0411-83707188
上一篇:
QCQS系列 薄型气缸
下一篇:
QCN系列 薄型气缸
产品详情
/ Product details
下一篇:
QCN系列 薄型气缸
上一篇:
QCQS系列 薄型气缸
图片名称:QCQ2系列 薄型气缸
图片来源:www.xyqd.cn
作者:新益气动元件
浏览次数:
0
推荐资讯
/ Recommended news
轻型油压缸的作用
轻型油压缸的作用...
TIME:2025-09-28
轻型油压缸的作用
气动元件的使用条件
气动元件的环境适应性
气动元件的设计要点
气动元件的维护详解
气动元件的市场详解
气动元件的质量详情
气动元件的材料改进
气动元件的成本控制
气动元件的显著优势